🚀 Let's review the design of a high current/low voltage 500W LLC Planar Transformer that Frenetic has developed for an Infineon App Note.
View in browser

Hello everyone, Sotiris here! 👋

 

⚡Welcome back to another exciting Newsletter where we explore the world of Magnetics design. In this new edition, we are going to review the design of a high current/low voltage 500W LLC Planar Transformer that Frenetic has developed for Infineon. With this special project, we can show you a more complex design that we have developed at Frenetic for an Infineon Application Note.

    NL 71 - 1

    Figure 1(A). A 500 W LLC planar design (for EVAL_500W_5G_PSU - Infineon)

     

    NL 71 - 2

    Figure 1(B). The 500 W fanless power supply 3D view (EVAL_500W_5G_PSU from Infineon)

     

     📝 Let’s start with the specs of the Transformer: 

    NL 71 - 3

    Table 1. Transformer specs list

     

    ☝️ The utilization factor of the Transformer is smaller in center tap configuration, because only 1/ 2 secondary windings are operating at a time, but this drawback isn’t enough to rule out this configuration. The latter only needs two rectifying elements versus four. In this application, where output current is significant, the savings on the conduction losses of the synchronous mosfets is the main reason why we choose that configuration versus a single winding – full wave rectification.

     

    💡 The Mergence approach

    NL 71 - 4

    Figure 2.  Frenetic Planar Transformer configuration

     

    🤓 First of all, let me outline the most important property of this Magnetic part. The approach selected to integrate the necessary resonant inductance into a single part was done using the Mergence approach, for aspects of which Frenetic holds a patent.

     

    Essentially as you can tell from Figure 2, these x2 discrete Magnetic components are merged into a single part, sharing the same core. In particular x3 3C95 EQ38/8/25 ferroxcube cores were used for the core setup. The leakage inductance of the Transformer was measured around 2μH requiring a series connected Lr inductor of 19μH to achieve the total inductance of 21μH.

     

    ➿ The windings of the Transformer are made with four PCBs for the primary and four Cu stamps for the secondary. The secondaries are arranged in a center-tapped mode. The winding of Lr is made of six turns of Litz wire with 225 strands of 0.05 mm diameter (with total diameter of 1.19 mm). Paralleled copper stamps allow for acceptable current density level in the high current secondary windings.

     

    The Inductor and the Transformer share the same core. The flux lines created by the transformer and the inductor add or cancel with each other. Therefore, special care should be given to the design to avoid saturation in the core. The direction of the Lr winding should be kept the same as that of the Transformer primary side, to cancel out flux lines.

     

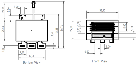
    📈 Dimensions and Power Density

    NL 71 - 5

    Figure 3.  Winding configuration and losses

     

    In Figure 3 we see the external dimensions of this Planar Transformer. Approximately, the part takes up 51000 mm3, which translates to 9.8kW/L. That’s a safe power density level which gave us good thermal performance number, as we will see shortly.

    ⚠️ The most stringent requirement for this board was height. This 500W design achieves low profile at only 24mm.

     

    🚨 Isolation Requirements

    The following clearance and creepage distances have been considered for this Transformer in order to achieve reinforced isolation.:

    • RMS working voltage: 250V
    • Material group: CTI I
    • Pollution degree: P2
    • Overvoltage category: IV
    • Insulation type: Reinforced
    • Max impulse voltage: 4kV

    🧐 Based on IEC-60664 safety standard we can assume:

    • Clearance: 4mm
    • Creepage through PCB: 1.1mm

    🤯 In Planar designs, complying with isolation requirements is a difficult methodical process that requires experience from the designer. Overlooking the distance between 2 points (an honest mistake even for pros) can be enough to make the design unusable, where modifications have to be made. Of course, that’s why we double check and test parts.

     

    📊Performance results

    NL 71 - 6

    Figure 4. Transformer Performance

     

    🔥The LLC Converter switches at a different frequency depending on the input voltage, as well as the loading conditions at the output. Looking at Figure 4, we observe that the total losses in various switching frequencies at fixed input/output voltages are pretty much stable ~4.7-4.9W. The thermal image under full load at 65°C hotspot at 25°C ambient is an excellent number to achieve, with big safety margins, allowing the component to function properly in a higher ambient temperature environment.

     

    😎 I hope you've enjoyed the read! See you in the next one. 

    -------------------------------------------

     

    🦸 Achieve Magnetic Superpowers with the Frenetic Training!

    ⚡ You can now boost your expertise in High Frequency Magnetics by enrolling in our Training Program. 

     

    📆 Hurry up, secure your spot now to embark on this learning journey.

     

    Sotiris Zorbas, MSc 

    Power Εlectronics Εngineer 

    +34 915 29 60 07
    www.frenetic.ai/
     
    small logo

    Mag & Mad, Calle Jorge Juan, 137, Madrid, Madrid 28028, Spain

    Unsubscribe Manage preferences